

Ultra-thin, ultra-small
Input voltage: 90 ~ 245V
Low power consumption, environmental protection, no-load loss <0.1W
Low ripple, low noise
Good output short-circuit and over-current protection and self-recovery
High efficiency, high power density
Input and output isolation voltage 3000V
100% full load aging and testing
High reliability, long life design, continuous working time is more than 100,000 hours
Meet the UL / CE requirements: product design to meet EMC and safety test requirements
Moisture, vibration, water and dust to meet IP65 standards
No external circuit to work
Operating temperature: -25 ~ 60 ℃
Storage temperature: -40 ~ 80 ℃
Relative humidity: 5 ~ 95%
Cooling method: natural cooling
Atmospheric pressure: 80 ~ 106 Kpa
Altitude: ≤ 2000m
Vibration coefficient: 10 ~ 500Hz, 2G10min / 1cycle
60min.each along X.Y, Z axes
Rated input voltage: 90 ~ 245Vac
Input voltage range: 85-264V
The maximum input current: ≤ 0.2A
Input surge current: ≤10A
The maximum input voltage: ≤ 270V
Input low voltage efficiency: Vin = 110Vac, output full load ≥69%
Input high voltage efficiency: Vin = 2200Vac, output full load ≥70%
Long-term reliability: MTBF ≥ 100,000H
External fuse Recommended: 1A / 250Vac
No-load rated output voltage: 12.0 ± 0.1Vdc
Full load rated output voltage: 12.0 ± 0.2Vdc
Short time maximum output current: ≥540mA
Long time maximum output current: ≥ 450mA
Voltage regulation rate: ± 0.2%
Load regulation: ± 0.5%
Output ripple and noise (mVp-p): rated input voltage, full output, with 20MHZ bandwidth oscilloscope, the load side and 10uf and 0.1uf capacitance test
Switch overshoot amplitude: (rated input voltage, output plus 10%) ≤ 5% V0
Output over-current protection: output maximum load of 110 ~ 150% A
Output short-circuit protection: Direct output when the normal short-circuit, short-circuit automatically removed to restore normal work (without damage to the whole machine)
Input Voltage and Load Characteristics

Working Environment Temperature and Load Characteristics

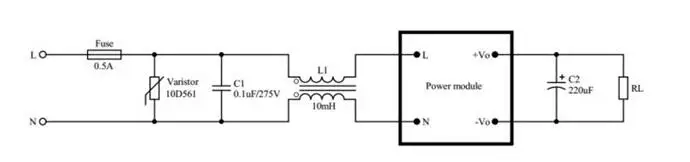
Typical Application Circuit

Product Size

Note: all the descriptions and prices are subject to change without prior notice.
Free Shipping: No
Shipping Weight/Unit(g): 0.00
Std. Packing Qty. (pcs): 1